
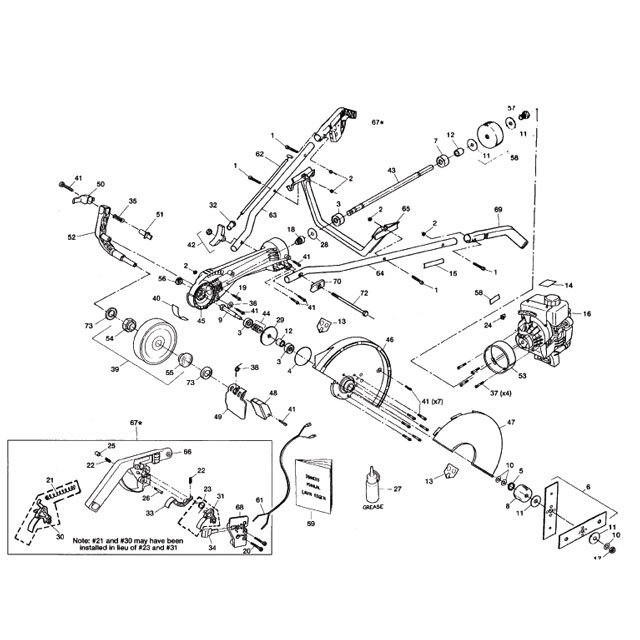
Click on Blue Part # Link for Pricing
| Key # | Part # Link | Description | Key # | Part # Link | Description |
| 1 | 40650 | Screw M5 X 36mm TORX | 44 | 62968 | Cable Connector |
| 3 | 40651 | Screw M6 X 16 mm TORX | 45 | 62983 | Washer Hardened 54 X 12.2 X 2 |
| 4 | 40652 | Nut Nyloc 5mm | 46 | 63405 | Eng Atom 26 FCS |
| 5 | 42111 | Seal 27.2 X 12.6 Wheel | 47 | 63002 | Cable Throttle 910mm + 58mm |
| 6 | 43105 | Blade Set 10.2/3" ( 271mm ) | 48 | 63017BS | Handle RH with Rubber |
| 7 | 43112 | Drum Blade | 49 | 63019BS | Handle LH with Rubber |
| 8 | 43114 | Shaft Blade Drive | 50 | 63020WE | Handle Cross Brace |
| 9 | 43128 | Warning Label Blade Cover | 51 | 63021BP | Cover RH Handle |
| 10 | 43172 | Nut Nyloc 3/8 UNC | 52 | 63883A | Trigger Throttle + Interlock Set |
| 11 | 43198 | Spring Trigger Comp. | 53 | 43966RN | Deflector Honda Air ( GX25 ) |
| 12 | 43199 | Spring Small | 63899MA | Manual 440/450 NA | |
| 13 | 43218 | Washer 3/8 Flat | 55 | 63032 | Nut Flange RH 3/8 ( Use 43163 ) |
| 14 | 43227 | Grease & Dispenser | 56 | 63033 | Nut Recessed RH M12 X 1.75 |
| 15 | 43245 | Gear Crown with Bush | 57 | 63049 | Bolt Hex 6.5 X 1/4 BSW |
| 16 | 43452 | Spring HT. ADJ. Arm Comp. | 58 | 63187BN | Captive Plate 1/4" Hex Piece |
| 17 | 43719 | Spring Deflector Debris | 59 | 63488S | Assy Handle Knob w/ Nut |
| 18 | 43790 | Screw 5.5mm for Plastic | 60 | 63217BN | Clip for Handle Cable & Wire |
| 19 | 43860 | Bearing 32X10X12 + 4mm | 61 | 63277 | Washer Clutch 12.06 X 22.22 X 1 |
| 21 | 44060 | Tubing Handle Universal | 62 | 63327 | Clutch Drum Washer 26 X 1.6 X 6.6 |
| 22 | 44302 | Pin Height Adj. Arm | 63 | 63348 | O'Ring |
| 23 | 44304 | Bolt Wheel Axle 3/8" X 5.5" | 64 | 63355 | Terminal Bullet Receptacle |
| 24 | 44305 | Bearing Wheel 28X8X12.8mm | 65 | 63806RN | Mount / Cowl GX25 |
| 25 | 44318 | Drum Clutch Cup 54mm | 66 | 43765 | Wheel Only |
| 26 | 48004ASE | Assy Eng. GX25 for # 440/740 | 67 | 63388 43176 | Gear Pinion 25.5mm Length |
| 27 | 48101 | Oil 80ml ( Honda GX - 25 ) | |||
| 28 | 62843 | Bolt Hex 3.5 X 1/4 BSW | 68 | 63400 | Switch On / Off Rocker with Wire 930mm |
| 29 | 62912 | Flange Hub | 69 | 63407 | Label Atom Lawn Edger NA |
| 30 | 62917 | Seal Edger Gear | 70 | 63457 | Washer 1/4 X 1/2 X 1.6 z/p |
| 31 | 62919 | Nut Nyloc 1/4" BSW | 71 | 63466 | Label Handle NA |
| 32 | 62925 | Shaft Drive Main 402mm | 72 | 63474 | Bearing 32 X 10 x 12 |
| 33G | 63897GP | LH + RH Green Edger Body Set with # 4 ( X2 ) | 73 | 63533WE | Hook Edger Cable Body |
| 34R | 63897RP | LH + RH Red Edger Body Set with # 4 ( X2 ) | 74 | 43181 | Screw M5 X 12mm |
| 35 | 63808WE | Blade Cover Outer / Inner Set | 75 | H22253 | Washer Flat 440 |
| 36 | 62929WP | Deflector Debris | 76 | H22254 | Washer Wavy 440 |
| 37 | 62930WP | Deflector Debris Limit Body | 77 | H33353 | Belt Clutch 440 |
| 38 | 62931WP | Deflector Debris Limit Cap | 78 | 63556 | Washer Flat 450 |
| 39 | 62932WP | Height Adj. Handle | 79 | 63554 | Washer Wavy 450 |
| 40 | 62933WP | Arm Wheel Edger | 80 | 63553 | Belt Clutch 450 |
| 41 | 62934 | Tube Wheel 94mm | 81 | 63003A | Assy Clutch Use 63555A |
| 42 | 62936WN | Dust Cap Edger | 82 | 63555A | Assy Clutch 440/450/750/850/K |
| 43 | 62944 | Nut M8 X 1.25 ZP | *201 | 63433AG | Assy Handle RH + Rubber with # 11, 12, 18, 47, 48, 51, 52, 68 |
| *202 | 63811AWP | Assy Height Adj. Arm Grey 310, 430, 440, 450 with # 1, 16, 22, 39, 40 | *203 | 63943A | Assy Deluxe Tyred Wheel Edger 440/450 with # 5, 24 ( X2 ), 41, 66 |
| *204 | 63436AWP | Assy Deluxe Wheel & Arm Grey Complete with # 202, 203, 10, 13 ( X3 ), 17, 23, 26, 37, 38 | *205 | 63447A | Assy Main Shaft 310, 430, 440, 450, with # 25, 29, 32, 55, 61, 67, 72 ( X2 ) |
| *206 | 63434AGP | Assy 310 / 430 / 450 Edger Body Green Stage 1 with # 205, 1 ( X2 ), 3, 4 ( X2 ), 7, 8, 15, 18 ( X11 ), 19 ( X2 ), 30, 33G, 73 | *207 | 63434ARP | Assy 440 Edger Body Red Stage 1 with # 205, 1 ( X2 ), 3, 4 ( X2 ), 7, 8, 15, 18 ( X11 ), 19 ( X2 ), 30, 34R, 73 |
| *208 | 48004ASE | Assy Engine Honda GX25 For # 440 / 740 with # 1, 26, 43, 44, 53, 64, 65, 74 | 63882AGP | Assy 450 Green Deluxe Main Body Without Engin Stage 2 with # 204, 206G, 1 ( X2 ), 3, 7, 9, 18 ( X16 ), 28, 31, 35, 42, 45 ( X2 ), 56, 62, 63 ( X2 ), 70 ( X3 ) | |
| 63882ARP | Assy 440 Red Deluxe Main Body Without Engin Stage 2 with # 204, 206R, 1 ( X2 ), 3, 7, 9, 18 ( X16 ), 28, 31, 35, 42, 45 ( X2 ), 56, 62, 63 ( X2 ), 70 ( X3) | 63896ARP | Assy 440 Red Deluxe Main Body Without Engin Stage 3 with # 204, 207R, 1 ( X2 ), 3, 7, 9, 18 ( X16 ), 28, 31, 35, 42, 45 ( X2 ), 56, 62, 63 ( X2 ), 70 ( X3 ) |