| Reference Number | OutdoorKing Link Number | Description | OEM Number |
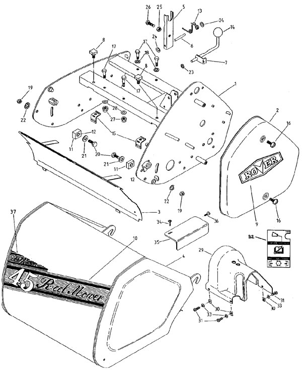
| 1 | A10538 | Mower frame assembly | A10538 |
| 2 | N/A | Chain case | A455777 |
| 3 | A454395 | Deflector assembly | A454387 |
| 4 | 071801-7440 | Grass box assembly | J454459R |
| 5 | A331010 | Clutch fork assembly | A331010 |
| 6 | A333067 | Clutch fork pivot | A333067 |
| 7 | A10534 | Operating handle | A10534 |
| 8 | A432428 | Deflector clamp screw | A432428 |
| 9 | A12507 | Decal- chain case | A12507 |
| 10 | N/A | Decal- grass box | A20022 |
| 11 | A453085K | Grass box support rubber | A453085K |
| 12 | N/A | Bush | A03504 |
| 13 | A333091 | Clutch fork spring | A333091 |
| 14 | A2881016 | Knob | A2881016 |
| 15 | A451143 | Deflector mount clamp | A451143 |
| 16 | A02107 | Screw- 1/4" x 1/2" unc.mush.head | A02107 |
| 17 | A1213809 | Bolt- 5/16" x 1-1/2" unf.HT. | A1213809 |
| 18 | A02031 | Washer- 5/16" shakeproof | A02031 |
| 19 | A02007 | Nut- 3/8" unc.hex. | A02007 |
| 20 | A02100 | Bolt- 3/8" x 1-1/4" unc.hex. | A02100 |
| 21 | A02033 | Washer- 3/8" x 3/4" x 16g.flat | A02033 |
| 22 | A02034 | Washer- 3/8" shakeproof | A02034 |
| 23 | A2501116 | Avdel | A2501116 |
| 24 | A2501095 | Avdel | A2501095 |
| 25 | A232116 | Nut- 1/4" unf.hex. | A232116 |
| 26 | Hardware | Setscrew- 1/4" x 1-1/4" unf.HT. | A173016 |
| 27 | Hardware | Nyloc nut- 5/16" unf. | A02256 |
| 28 | A02030 | Washer- 5/16" x 5/8" x 16g.flat | A02030 |
| 29 | A20040 | Clutch cover | A20040 |
| 30 | A04088 | Speed nut- Bin 045 | A04088 |
| 31 | A04091 | Screw- M5 x 16 Phillips head | A04091 |
| 32 | A16370 | Label- Blades | A16370 |
| 33 | A02216 | Washer- 3/16" x 1/2" x 18g.flat | A02216 |
| 37 | N/A | Decal - Select Model | A16163 |